wiring electric fuel pump diagram

Not Getting Power to Fuel Pump: I Just Bought the Vehicle Listed. 18 Pictures about Not Getting Power to Fuel Pump: I Just Bought the Vehicle Listed : Wiring an Electric Fuel Pump Diagram, How To Wire an Electric Fuel Pump and also No Voltage to the Electric Fuel Pump.

Not Getting Power To Fuel Pump: I Just Bought The Vehicle Listed

Not Getting Power to Fuel Pump: I Just Bought the Vehicle Listed www.2carpros.com

pump fuel getting power enlarge

How Does Electric Fuel Pump Work? - Quora

How does electric fuel pump work? - Quora www.quora.com

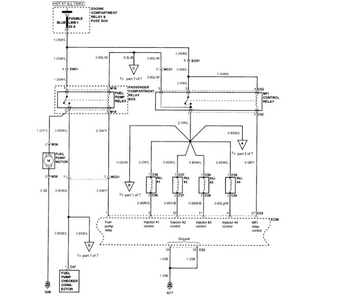
wiring pump fuel diagram switch pressure relay well electric oil volvo safety water wire penta airtex ignition diagrams electrical holley

How To Wire An Electric Fuel Pump

How To Wire an Electric Fuel Pump m.roadkillcustoms.com

fuel pump electric wire diagram wiring roadkill electrical roadkillcustoms classic

Wiring An Electric Fuel Pump Diagram

Wiring an Electric Fuel Pump Diagram www.roadkillcustoms.com

wiring pump fuel electric diagram rod wire rods

1975-1978 Pickup Electric Fuel Pump Wiring Diagram & Info - Page 2

1975-1978 Pickup Electric Fuel Pump Wiring Diagram & Info - Page 2 www.yotatech.com

fuel pump diagram 1978 wiring pickup electric info 1975 toyota yotatech forums located resistor 1977

Wiring Path For Electric Fuel Pump - Page 2 - Electrical - The Classic

Wiring Path for Electric Fuel Pump - Page 2 - Electrical - The Classic www.classiczcars.com

wiring path pump fuel electric link

3 Prong Oil Pressure Switch And Electric Fuel Pump, Is A Fuel Pump

3 prong oil pressure switch and electric fuel pump, is a fuel pump forums.iboats.com

pump switch relay fuel pressure oil electric prong circuit boat needed mercruiser works engine where

What Color Is The Power Wire On The Fuel Pump On A 1995 S10 | DIY Forums

What Color Is The Power Wire On The Fuel Pump On A 1995 S10 | DIY Forums www.diyforums.net

chevrolet located vortec diyforums chevorlet

Fuel Injection Technical Library » 4.6L Harness

Fuel Injection Technical Library » 4.6L harness www.grandmarq.net

diagram wiring ignition coil 1996 ford 6l mustang gt harness efi cop fuel photobucket circuits ingition

Chevrolet 1500 Truck 4.3 1989 Componenet Location Electrical Circuit

Chevrolet 1500 Truck 4.3 1989 Componenet Location Electrical Circuit www.carfusebox.com

1989 1500 diagram location wiring componenet truck chevrolet circuit electrical carfusebox fuse

Fuel Pump Relay - Ford Mustang Forum

Fuel pump relay - Ford Mustang Forum www.allfordmustangs.com

fuel relay pump wiring mustang 1991 ford 1984 efi fox eec body 1987 computer start forums issue 5l diagram location

No Voltage To Fuel Pump: Hello, Hoping You Can Help Me Out, I Can

No Voltage to Fuel Pump: Hello, Hoping You Can Help Me Out, I Can www.2carpros.com

voltage pump fuel

Fuel Pump Electrical Issue: History: Vehicle Was Idling In The

Fuel Pump Electrical Issue: History: Vehicle Was Idling in the www.2carpros.com

electrical pump fuel issue

Speedy Jim's Home Page, Aircooled Electrical Hints

Speedy Jim's Home Page, Aircooled Electrical Hints www.speedyjim.net

pump fuel electric adding circuit safety push

Tokheim 300, 305 Gas Pump Info | GasPumps.us Old Gas Pump Parts

Tokheim 300, 305 Gas Pump Info | GasPumps.us Old Gas Pump Parts www.gaspumps.us

tokheim gas pump parts gaspumps info

Teach Me About The Evo Fuel Pump Wiring Then Help Me Build It In My Car

Teach me about the evo fuel pump wiring then help me build it in my car www.dsmtuners.com

pump fuel wiring evo then diagram teach build help dsmtuners

No Voltage To The Electric Fuel Pump

No Voltage to the Electric Fuel Pump www.2carpros.com

How To Wire Cooling Fans, Headlights, Fuel Pumps & Voltmeters - Hot Rod

How To Wire Cooling Fans, Headlights, Fuel Pumps & Voltmeters - Hot Rod www.hotrod.com

wire cooling fuel headlights wiring voltmeters pumps fans rod hotrod

Tokheim 300, 305 gas pump info. How to wire an electric fuel pump. Fuel pump electrical issue: history: vehicle was idling in the