vw mk1 radio wiring diagram

1995 Vw Golf Wiring Diagrams. 9 Images about 1995 Vw Golf Wiring Diagrams : 1995 Vw Golf Wiring Diagrams, Schaltplan Golf 4 - Wiring Diagram and also Schaltplan Golf 4 - Wiring Diagram.

1995 Vw Golf Wiring Diagrams

1995 Vw Golf Wiring Diagrams cuasinoticias-viajes.blogspot.com

vanagon eurovan jetta layout cabby

Hatch Strut Shock Lift C Clips Set VW Golf GTI Jetta Passat Wagon - Genuine

Hatch Strut Shock Lift C Clips Set VW Golf GTI Jetta Passat Wagon - Genuine carparts4sale.com

vw golf strut clips jetta gti hatch passat shock wagon lift genuine usd sku thu mk4 feb

LH Side View Door Mirror Glass 92-02 VW Eurovan T4 - Genuine

LH Side View Door Mirror Glass 92-02 VW Eurovan T4 - Genuine carparts4sale.com

Vanagon Wiring Diagram - Wiring Diagram

Vanagon Wiring Diagram - Wiring Diagram facybulka.me

wiring diagram bus vw vanagon 1967 diagrams volkswagen honda grand usa non 1969 wrg 1635 t25 t3 transporter

Brake Vacuum Pump 81-92 VW Audi 4000 Quantum 90 Coupe - 035 145 101 A

Brake Vacuum Pump 81-92 VW Audi 4000 Quantum 90 Coupe - 035 145 101 A carparts4sale.com

Schaltplan Golf 4 - Wiring Diagram

Schaltplan Golf 4 - Wiring Diagram facybulka.me

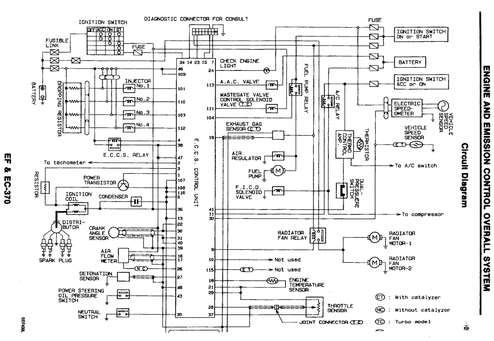
electrique schaltplan q7 stromlaufplan fuse relay sr20det b6 weak lanos daewoo almera n15 ricardolevinsmorales deren vag wire pcv aeb variant

Engine Harness Pigtail Plug Round Connector VW Jetta GTI MK4 1.8T 1J0

Engine Harness Pigtail Plug Round Connector VW Jetta GTI MK4 1.8T 1J0 carparts4sale.com

Miata Wiring Harness Diagram

Miata Wiring Harness Diagram www.chanish.org

miata wiring mx5 brainstorm eunos headlights retractor

[BR_8373] Vw Polo 6N2 Wiring Diagram Wiring Diagram

[BR_8373] Vw Polo 6N2 Wiring Diagram Wiring Diagram over.gritea.nizat.lline.rele.mohammedshrine.org

polo 6n2 1995 6n handbuch manuals schema

Vanagon eurovan jetta layout cabby. Brake vacuum pump 81-92 vw audi 4000 quantum 90 coupe. Vw golf strut clips jetta gti hatch passat shock wagon lift genuine usd sku thu mk4 feb