ford 555d alternator wiring diagram

John Deere 260 Skid Steer Alternator Wiring Diagram - Wiring Diagram. 15 Images about John Deere 260 Skid Steer Alternator Wiring Diagram - Wiring Diagram : Wiring on a Ford 555B backhoe - Yesterday's Tractors, 52 5 Wire Alternator Wiring Diagram - Wiring Diagram Plan and also Quick Alternator fix? - Ford Truck Enthusiasts Forums.

John Deere 260 Skid Steer Alternator Wiring Diagram - Wiring Diagram

John Deere 260 Skid Steer Alternator Wiring Diagram - Wiring Diagram wiringdiagram.2bitboer.com

johndeere steers

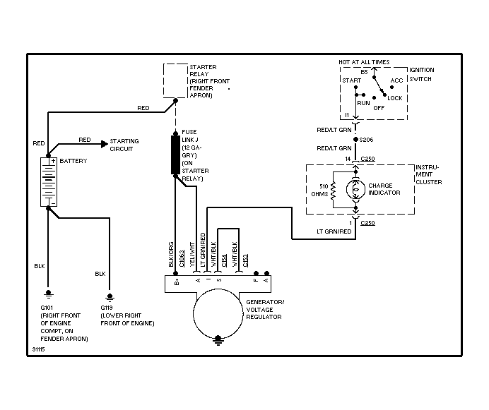
Alternator Wiring - Ford Truck Enthusiasts Forums

Alternator Wiring - Ford Truck Enthusiasts Forums www.ford-trucks.com

wiring ford diagram bronco 1979 79 f100 alternator f150 truck voltage regulator 1975 ignition justanswer coil engine f250 column steering

Ford 555b Backhoe Parts Diagram - Wiring Site Resource

Ford 555b Backhoe Parts Diagram - Wiring Site Resource wiringdatabaseinfo.blogspot.com

ford backhoe 550 555 tractor tlb loader diagram manual service factory parts wiring repair 555b

Quick Alternator Fix? - Ford Truck Enthusiasts Forums

Quick Alternator fix? - Ford Truck Enthusiasts Forums www.ford-trucks.com

1g wiring alternator regulator voltage wire ford diagram mustang alt schematic coupe 1966 dodge 3g amp fordmuscleforums alt2 fix bronco

52 5 Wire Alternator Wiring Diagram - Wiring Diagram Plan

52 5 Wire Alternator Wiring Diagram - Wiring Diagram Plan rebablakuf.blogspot.com

Wiring On A Ford 555B Backhoe - Yesterday's Tractors

Wiring on a Ford 555B backhoe - Yesterday's Tractors www.yesterdaystractors.com

wiring backhoe ford 555b able should

Where Can I Find A Wiring Diagram For A Ford 3400 Tractor On The Internet

Where can I find a wiring diagram for a ford 3400 tractor on the internet www.justanswer.com

ford wiring diagram tractor 3400 diesel justanswer internet generator pic0001 dieseldan55 scan 2009 schematic wireing dan equipment

Alternator Wiring Diagram Ford Tractor - Wiring Diagram Networks

Alternator Wiring Diagram Ford Tractor - Wiring Diagram Networks kelvin-okl.blogspot.com

8n naa jmor delco

Ford 555 Backhoe Parts Diagram - Diagram Resource Gallery

Ford 555 Backhoe Parts Diagram - Diagram Resource Gallery revepinphdi.blogspot.com

backhoe

Ford 3000 Distributor Cap Wiring Diagram - Wiring Diagram

Ford 3000 Distributor Cap Wiring Diagram - Wiring Diagram cars-trucks24.blogspot.com

distributor ford 3000 diagram wiring cap tune

Ford 3000 Alternator Conversion Wiring Diagram - WIRGRAM

Ford 3000 Alternator Conversion Wiring Diagram - WIRGRAM wirgram.blogspot.com

wiring cucv chevy schaltplan mecanica mecanico tach mgb arranque anlasser syncro automóviles mantenimiento electricity 240z semi spielereien windturbine energiegewinnung vr6

New Alternator And Still No Charge - Page 3 - Ford Truck Enthusiasts Forums

New alternator and still no charge - Page 3 - Ford Truck Enthusiasts Forums www.ford-trucks.com

alternator charge still wire light voltage position run orange key

[DIAGRAM] 1953 Ford 9n Wiring Diagram With Alternator

[DIAGRAM] 1953 Ford 9n Wiring Diagram With Alternator diagramspace.blogspot.com

alternator 8n 9n fordson gmis

John Deere 260 Skid Steer Alternator Wiring Diagram - Wiring Diagram

John Deere 260 Skid Steer Alternator Wiring Diagram - Wiring Diagram wiringdiagram.2bitboer.com

deere 2955 2555 2155 2355 2755 skid steer

Alternator Good Still No Charge

Alternator Good Still No Charge www.2carpros.com

alternator charge still ford enlarge

Alternator 8n 9n fordson gmis. [diagram] 1953 ford 9n wiring diagram with alternator. Where can i find a wiring diagram for a ford 3400 tractor on the internet